
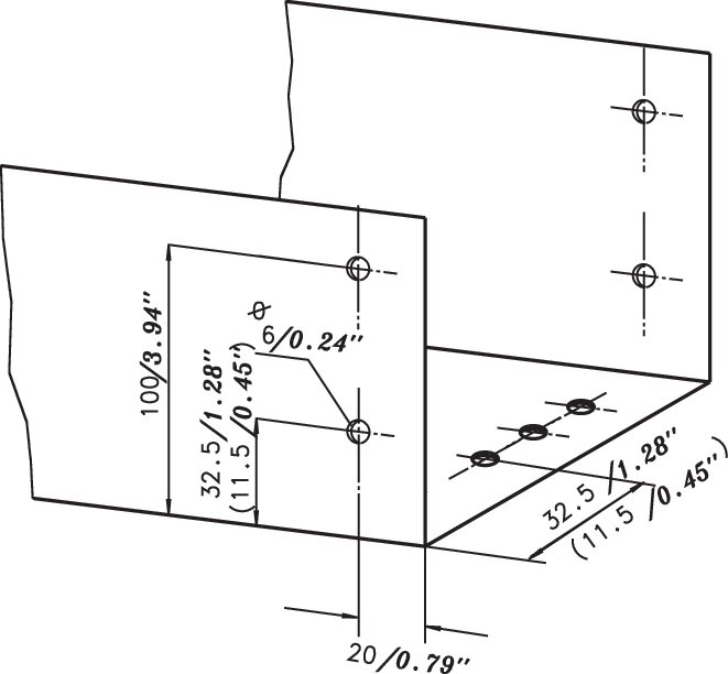
1204-1301-06-00
Punch Type
Product description
For punching connection holes ø 6 mm
Fix hole distances from front side: 20 mm
Interchangeable spacer bolts allow lateral hole distances of 11.5 mm, 32.5 mm, 100.5 mm and 147.5 mm without prior marking.
Technical Data
-
Order No.: 1204-1301-06-00
-
Application: Punching of cut-outs
-
Type: With punching tool ø 6 mm / 0.23”
-
Suitable for: Round punches up to ø 8 mm
-
Material thickness: Sheet steel up to 1.5 mm
-
Weight: 1.9 kg
Notice
- For punching mounting holes in häwa cable ducts and components Type 1204 + 1207.
- It is also possible to punch stainless steel sheets up to a thickness of 1.5 mm by using the mounted ø 6 mm punching tool.
- Further punch sets in 1/10 mm increments between 2.0 mm and 8.0 mm are available upon request.
- 1 punch with punch set ø 6 mm
- Spacer bolts: 2x length 21 mm and 2x length 68 mm

1204-0003-10-00
Cable Duct
Type
Cable duct system type 1204
Cross section
1,18 x 1,18 inch
Length
1000 mm
Material
Sheet steel

1204-0003-20-00
Cable Duct
Type
Cable duct system type 1204
Cross section
1,18 x 1,18 inch
Length
2000 mm
Material
Sheet steel

1204-0006-05-00
Cable Duct
Type
Cable duct system type 1204
Cross section
60 x 60 mm/2,36 x 2,36"
Length
500 mm
Material
Sheet steel

1204-0006-10-00
Cable Duct
Type
Cable duct system type 1204
Cross section
60 x 60 mm/2,36 x 2,36"
Length
1000 mm
Material
Sheet steel

1204-0006-20-00
Cable Duct
Type
Cable duct system type 1204
Cross section
60 x 60 mm/2,36 x 2,36"
Length
2000 mm
Material
Sheet steel

1204-0010-05-00
Cable Duct
Type
Cable duct system type 1204
Cross section
100 x 100 mm/3,94 x 3,94"
Length
500 mm
Material
Sheet steel

1204-0010-10-00
Cable Duct
Type
Cable duct system type 1204
Cross section
100 x 100 mm/3,94 x 3,94"
Length
1000 mm
Material
Sheet steel

1204-0010-20-00
Cable Duct
Type
Cable duct system type 1204
Cross section
100 x 100 mm/3,94 x 3,94"
Length
2000 mm
Material
Sheet steel

1204-0015-05-00
Cable Duct
Type
Cable duct system type 1204
Cross section
150 x 150 mm/5,91 x 5,91"
Length
500 mm
Material
Sheet steel

1204-0015-10-00
Cable Duct
Type
Cable duct system type 1204
Cross section
150 x 150 mm/5,91 x 5,91"
Length
1000 mm
Material
Sheet steel

1204-0015-20-00
Cable Duct
Type
Cable duct system type 1204
Cross section
150 x 150 mm/5,91 x 5,91"
Length
2000 mm
Material
Sheet steel

1204-0030-05-00
Cable Duct
Type
Cable duct system type 1204
Cross section
11,81 x 5,91 inch
Length
500 mm
Material
Sheet steel

1204-0030-10-00
Cable Duct
Type
Cable duct system type 1204
Cross section
11,81 x 5,91 inch
Length
1000 mm
Material
Sheet steel

1204-0030-20-00
Cable Duct
Type
Cable duct system type 1204
Cross section
11,81 x 5,91 inch
Length
2000 mm
Material
Sheet steel

1207-0003-10-00
Cable Duct
Type
Cable duct system type 1207
Cross section
1,18 x 1,18 inch
Length
1000 mm
Material
Stainless steel no. 1.4301

1207-0003-20-00
Cable Duct
Type
Cable duct system type 1207
Cross section
1,18 x 1,18 inch
Length
2000 mm
Material
Stainless steel no. 1.4301

1207-0006-05-00
Cable Duct
Type
Cable duct system type 1207
Cross section
60 x 60 mm/2,36 x 2,36"
Length
500 mm
Material
Stainless steel no. 1.4301

1207-0006-10-00
Cable Duct
Type
Cable duct system type 1207
Cross section
60 x 60 mm/2,36 x 2,36"
Length
1000 mm
Material
Stainless steel no. 1.4301

1207-0006-20-00
Cable Duct
Type
Cable duct system type 1207
Cross section
60 x 60 mm/2,36 x 2,36"
Length
2000 mm
Material
Stainless steel no. 1.4301

1207-0010-05-00
Cable Duct
Type
Cable duct system type 1207
Cross section
100 x 100 mm/3,94 x 3,94"
Length
500 mm
Material
Stainless steel no. 1.4301

1207-0010-10-00
Cable Duct
Type
Cable duct system type 1207
Cross section
100 x 100 mm/3,94 x 3,94"
Length
1000 mm
Material
Stainless steel no. 1.4301

1207-0010-20-00
Cable Duct
Type
Cable duct system type 1207
Cross section
100 x 100 mm/3,94 x 3,94"
Length
2000 mm
Material
Stainless steel no. 1.4301

1207-0015-05-00
Cable Duct
Type
Cable duct system type 1207
Cross section
150 x 150 mm/5,91 x 5,91"
Length
500 mm
Material
Stainless steel no. 1.4301

1207-0015-10-00
Cable Duct
Type
Cable duct system type 1207
Cross section
150 x 150 mm/5,91 x 5,91"
Length
1000 mm
Material
Stainless steel no. 1.4301

1207-0015-20-00
Cable Duct
Type
Cable duct system type 1207
Cross section
150 x 150 mm/5,91 x 5,91"
Length
2000 mm
Material
Stainless steel no. 1.4301

1207-0030-05-00
Cable Duct
Type
Cable duct system type 1207
Cross section
11,81 x 5,91 inch
Length
500 mm
Material
Stainless steel no. 1.4301

1207-0030-10-00
Cable Duct
Type
Cable duct system type 1207
Cross section
11,81 x 5,91 inch
Length
1000 mm
Material
Stainless steel no. 1.4301

1207-0030-20-00
Cable Duct
Type
Cable duct system type 1207
Cross section
11,81 x 5,91 inch
Length
2000 mm
Material
Stainless steel no. 1.4301
Assembly instructions:
CAD data and other file formats:
Contact for products
Find your personal point of contact
We are happy to help you.
The best switch cabinets and casings are not produced on an assembly line, but rather designed in close cooperation with our customers. Are you ready to begin? Then contact your personal häwa consultant.

