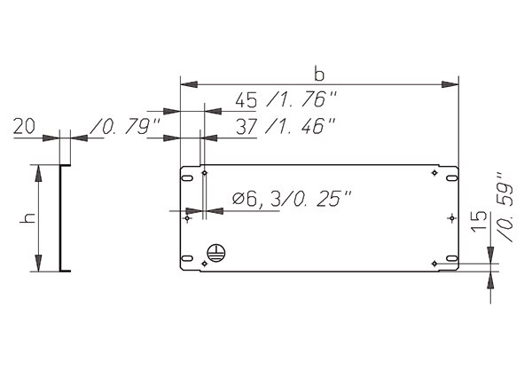
Lateral mounting plate

0396-5240-00-13

Lateral mounting plate

Product description

For the formation of mounting areas on the side.

Technical Data

  • Order No.: 0396-5240-00-13
  • Dimension: Width : 520 mm  Height : 400 mm  Suitable for depth : 600 mm 
  • Surface: Galvanized
  • Material: Steel sheet 2 mm
  • Weight: 3.5 kg
  • Protective ground connection: according to DIN EN 61439-1

Notice

  • Attention: The vertical mounting rails are only required when mounted in H390 and H370 cabinets!
  • Mounting plate without mounting hardware
Vertical mounting rail
0391-9018-00-03
Vertical mounting rail
Suitable for height
1800 mm
Vertical mounting rail
0391-9020-00-03
Vertical mounting rail
Suitable for height
2000 mm
Vertical mounting rail
0391-9010-00-03
Vertical mounting rail
Suitable for height
1000 mm
Vertical mounting rail
0391-9012-00-03
Vertical mounting rail
Suitable for height
1200 mm
Vertical mounting rail
0391-9014-00-03
Vertical mounting rail
Suitable for height
1400 mm
Vertical mounting rail
0391-9016-00-03
Vertical mounting rail
Suitable for height
1600 mm
Free-Standing cabinets Stainless steel H370, single door
0370-1020-60-00
Free-Standing cabinets Stainless steel H370, single door
Width
1000 mm
Height
2000 mm
Depth
600 mm
Type
without mounting plate
Protection type
IP56
Type 1, 12, 3R optional
Approval
cULus
Free-Standing cabinets Stainless steel H370, single door
0370-1020-60-10
Free-Standing cabinets Stainless steel H370, single door
Width
1000 mm
Height
2000 mm
Depth
600 mm
Type
with mounting plate
Protection type
IP56
Type 1, 12, 3R optional
Approval
cULus
Free-Standing cabinets Stainless Steel H370, double door
0370-1218-60-00
Free-Standing cabinets Stainless Steel H370, double door
Width
1200 mm
Height
1800 mm
Depth
600 mm
Type
without mounting plate
Protection type
IP55
Type 1, 12, 3R optional
Approval
cULus
Free-Standing cabinets Stainless Steel H370, double door
0370-1218-60-10
Free-Standing cabinets Stainless Steel H370, double door
Width
1200 mm
Height
1800 mm
Depth
600 mm
Type
with mounting plate
Protection type
IP55
Type 1, 12, 3R optional
Approval
cULus
Free-Standing cabinets Stainless Steel H370, double door
0370-1220-60-00
Free-Standing cabinets Stainless Steel H370, double door
Width
1200 mm
Height
2000 mm
Depth
600 mm
Type
without mounting plate
Protection type
IP55
Type 1, 12, 3R optional
Approval
cULus
Free-Standing cabinets Stainless Steel H370, double door
0370-1220-60-10
Free-Standing cabinets Stainless Steel H370, double door
Width
1200 mm
Height
2000 mm
Depth
600 mm
Type
with mounting plate
Protection type
IP55
Type 1, 12, 3R optional
Approval
cULus
Free-Standing cabinets Stainless steel H370, single door
0370-6018-60-00
Free-Standing cabinets Stainless steel H370, single door
Width
600 mm
Height
1800 mm
Depth
600 mm
Type
without mounting plate
Protection type
IP56
Type 1, 12, 3R optional
Approval
cULus
Free-Standing cabinets Stainless steel H370, single door
0370-6018-60-10
Free-Standing cabinets Stainless steel H370, single door
Width
600 mm
Height
1800 mm
Depth
600 mm
Type
with mounting plate
Protection type
IP56
Type 1, 12, 3R optional
Approval
cULus
Free-Standing cabinets Stainless steel H370, single door
0370-6020-60-00
Free-Standing cabinets Stainless steel H370, single door
Width
600 mm
Height
2000 mm
Depth
600 mm
Type
without mounting plate
Protection type
IP56
Type 1, 12, 3R optional
Approval
cULus
Free-Standing cabinets Stainless steel H370, single door
0370-6020-60-10
Free-Standing cabinets Stainless steel H370, single door
Width
600 mm
Height
2000 mm
Depth
600 mm
Type
with mounting plate
Protection type
IP56
Type 1, 12, 3R optional
Approval
cULus
Free-Standing cabinets Stainless steel H370, single door
0370-8018-60-00
Free-Standing cabinets Stainless steel H370, single door
Width
800 mm
Height
1800 mm
Depth
600 mm
Type
without mounting plate
Protection type
IP56
Type 1, 12, 3R optional
Approval
cULus
Free-Standing cabinets Stainless steel H370, single door
0370-8018-60-10
Free-Standing cabinets Stainless steel H370, single door
Width
800 mm
Height
1800 mm
Depth
600 mm
Type
with mounting plate
Protection type
IP56
Type 1, 12, 3R optional
Approval
cULus
Free-Standing cabinets Stainless steel H370, single door
0370-8020-60-00
Free-Standing cabinets Stainless steel H370, single door
Width
800 mm
Height
2000 mm
Depth
600 mm
Type
without mounting plate
Protection type
IP56
Type 1, 12, 3R optional
Approval
cULus
Free-Standing cabinets Stainless steel H370, single door
0370-8020-60-10
Free-Standing cabinets Stainless steel H370, single door
Width
800 mm
Height
2000 mm
Depth
600 mm
Type
with mounting plate
Protection type
IP56
Type 1, 12, 3R optional
Approval
cULus
Free-Standing cabinets Sheet steel H390, single door
0390-1018-60-07
Free-Standing cabinets Sheet steel H390, single door
Width
1000 mm
Height
1800 mm
Depth
600 mm
Type
without mounting plate
Protection type
IP55
Type 1, 12, 3R optional
Approval
cULus
Free-Standing cabinets Sheet steel H390, single door
0390-1018-60-17
Free-Standing cabinets Sheet steel H390, single door
Width
1000 mm
Height
1800 mm
Depth
600 mm
Type
with mounting plate
Protection type
IP55
Type 1, 12, 3R optional
Approval
cULus
Free-Standing cabinets Sheet steel H390, single door
0390-1020-60-07
Free-Standing cabinets Sheet steel H390, single door
Width
1000 mm
Height
2000 mm
Depth
600 mm
Type
without mounting plate
Protection type
IP55
Type 1, 12, 3R optional
Approval
cULus
Free-Standing cabinets Sheet steel H390, single door
0390-1020-60-17
Free-Standing cabinets Sheet steel H390, single door
Width
1000 mm
Height
2000 mm
Depth
600 mm
Type
with mounting plate
Protection type
IP55
Type 1, 12, 3R optional
Approval
cULus
Free-Standing cabinets Sheet steel H390, double door
0390-1218-60-07
Free-Standing cabinets Sheet steel H390, double door
Width
1200 mm
Height
1800 mm
Depth
600 mm
Type
without mounting plate
Protection type
IP55
Type 1, 12, 3R optional
Approval
cULus
Free-Standing cabinets Sheet steel H390, double door
0390-1218-60-17
Free-Standing cabinets Sheet steel H390, double door
Width
1200 mm
Height
1800 mm
Depth
600 mm
Type
with mounting plate
Protection type
IP55
Type 1, 12, 3R optional
Approval
cULus
Free-Standing cabinets Sheet steel H390, double door
0390-1220-60-07
Free-Standing cabinets Sheet steel H390, double door
Width
1200 mm
Height
2000 mm
Depth
600 mm
Type
without mounting plate
Protection type
IP55
Type 1, 12, 3R optional
Approval
cULus
Free-Standing cabinets Sheet steel H390, double door
0390-1220-60-17
Free-Standing cabinets Sheet steel H390, double door
Width
1200 mm
Height
2000 mm
Depth
600 mm
Type
with mounting plate
Protection type
IP55
Type 1, 12, 3R optional
Approval
cULus
Free-Standing cabinets Sheet steel H390, single door
0390-6018-60-07
Free-Standing cabinets Sheet steel H390, single door
Width
600 mm
Height
1800 mm
Depth
600 mm
Type
without mounting plate
Protection type
IP55
Type 1, 12, 3R optional
Approval
cULus
Free-Standing cabinets Sheet steel H390, single door
0390-6018-60-17
Free-Standing cabinets Sheet steel H390, single door
Width
600 mm
Height
1800 mm
Depth
600 mm
Type
with mounting plate
Protection type
IP55
Type 1, 12, 3R optional
Approval
cULus
Free-Standing cabinets Sheet steel H390, single door
0390-6020-60-07
Free-Standing cabinets Sheet steel H390, single door
Width
600 mm
Height
2000 mm
Depth
600 mm
Type
without mounting plate
Protection type
IP55
Type 1, 12, 3R optional
Approval
cULus
Free-Standing cabinets Sheet steel H390, single door
0390-6020-60-17
Free-Standing cabinets Sheet steel H390, single door
Width
600 mm
Height
2000 mm
Depth
600 mm
Type
with mounting plate
Protection type
IP55
Type 1, 12, 3R optional
Approval
cULus
Free-Standing cabinets Sheet steel H390, single door
0390-8018-60-07
Free-Standing cabinets Sheet steel H390, single door
Width
800 mm
Height
1800 mm
Depth
600 mm
Type
without mounting plate
Protection type
IP55
Type 1, 12, 3R optional
Approval
cULus
Free-Standing cabinets Sheet steel H390, single door
0390-8018-60-17
Free-Standing cabinets Sheet steel H390, single door
Width
800 mm
Height
1800 mm
Depth
600 mm
Type
with mounting plate
Protection type
IP55
Type 1, 12, 3R optional
Approval
cULus
Free-Standing cabinets Sheet steel H390, single door
0390-8020-60-07
Free-Standing cabinets Sheet steel H390, single door
Width
800 mm
Height
2000 mm
Depth
600 mm
Type
without mounting plate
Protection type
IP55
Type 1, 12, 3R optional
Approval
cULus
Free-Standing cabinets Sheet steel H390, single door
0390-8020-60-17
Free-Standing cabinets Sheet steel H390, single door
Width
800 mm
Height
2000 mm
Depth
600 mm
Type
with mounting plate
Protection type
IP55
Type 1, 12, 3R optional
Approval
cULus
Modular cabinets Stainless steel  H375, single door
0375-1016-60-00
Modular cabinets Stainless steel H375, single door
Width
1000 mm
Height
1600 mm
Depth
600 mm
Type
without mounting plate
Protection type
IP55, IP56 optional
Type 1, 12, 3R optional
Approval
cULus
Modular cabinets Stainless steel  H375, single door
0375-1016-60-10
Modular cabinets Stainless steel H375, single door
Width
1000 mm
Height
1600 mm
Depth
600 mm
Type
with mounting plate
Protection type
IP55, IP56 optional
Type 1, 12, 3R optional
Approval
cULus
Modular cabinets Stainless steel  H375, single door
0375-1018-60-00
Modular cabinets Stainless steel H375, single door
Width
1000 mm
Height
1800 mm
Depth
600 mm
Type
without mounting plate
Protection type
IP55, IP56 optional
Type 1, 12, 3R optional
Approval
cULus
Modular cabinets Stainless steel  H375, single door
0375-1018-60-10
Modular cabinets Stainless steel H375, single door
Width
1000 mm
Height
1800 mm
Depth
600 mm
Type
with mounting plate
Protection type
IP55, IP56 optional
Type 1, 12, 3R optional
Approval
cULus
Modular cabinets Stainless steel  H375, single door
0375-1020-60-00
Modular cabinets Stainless steel H375, single door
Width
1000 mm
Height
2000 mm
Depth
600 mm
Type
without mounting plate
Protection type
IP55, IP56 optional
Type 1, 12, 3R optional
Approval
cULus
Modular cabinets Stainless steel  H375, single door
0375-1020-60-10
Modular cabinets Stainless steel H375, single door
Width
1000 mm
Height
2000 mm
Depth
600 mm
Type
with mounting plate
Protection type
IP55, IP56 optional
Type 1, 12, 3R optional
Approval
cULus
Modular cabinets Stainless steel  H375, double door
0375-1218-60-00
Modular cabinets Stainless steel H375, double door
Width
1200 mm
Height
1800 mm
Depth
600 mm
Type
without mounting plate
Protection type
IP55
Type 1, 12, 3R optional
Approval
cULus
Modular cabinets Stainless steel  H375, double door
0375-1218-60-10
Modular cabinets Stainless steel H375, double door
Width
1200 mm
Height
1800 mm
Depth
600 mm
Type
with mounting plate
Protection type
IP55
Type 1, 12, 3R optional
Approval
cULus
Modular cabinets Stainless steel  H375, double door
0375-1220-60-00
Modular cabinets Stainless steel H375, double door
Width
1200 mm
Height
2000 mm
Depth
600 mm
Type
without mounting plate
Protection type
IP55
Type 1, 12, 3R optional
Approval
cULus
Modular cabinets Stainless steel  H375, double door
0375-1220-60-10
Modular cabinets Stainless steel H375, double door
Width
1200 mm
Height
2000 mm
Depth
600 mm
Type
with mounting plate
Protection type
IP55
Type 1, 12, 3R optional
Approval
cULus
Modular cabinets Stainless steel  H375, single door
0375-6018-60-00
Modular cabinets Stainless steel H375, single door
Width
600 mm
Height
1800 mm
Depth
600 mm
Type
without mounting plate
Protection type
IP55, IP56 optional
Type 1, 12, 3R optional
Approval
cULus
Modular cabinets Stainless steel  H375, single door
0375-6018-60-10
Modular cabinets Stainless steel H375, single door
Width
600 mm
Height
1800 mm
Depth
600 mm
Type
with mounting plate
Protection type
IP55, IP56 optional
Type 1, 12, 3R optional
Approval
cULus
Modular cabinets Stainless steel  H375, single door
0375-6020-60-00
Modular cabinets Stainless steel H375, single door
Width
600 mm
Height
2000 mm
Depth
600 mm
Type
without mounting plate
Protection type
IP55, IP56 optional
Type 1, 12, 3R optional
Approval
cULus
Modular cabinets Stainless steel  H375, single door
0375-6020-60-10
Modular cabinets Stainless steel H375, single door
Width
600 mm
Height
2000 mm
Depth
600 mm
Type
with mounting plate
Protection type
IP55, IP56 optional
Type 1, 12, 3R optional
Approval
cULus
Modular cabinets Stainless steel  H375, single door
0375-8018-60-00
Modular cabinets Stainless steel H375, single door
Width
800 mm
Height
1800 mm
Depth
600 mm
Type
without mounting plate
Protection type
IP55, IP56 optional
Type 1, 12, 3R optional
Approval
cULus
Modular cabinets Stainless steel  H375, single door
0375-8018-60-10
Modular cabinets Stainless steel H375, single door
Width
800 mm
Height
1800 mm
Depth
600 mm
Type
with mounting plate
Protection type
IP55, IP56 optional
Type 1, 12, 3R optional
Approval
cULus
Modular cabinets Stainless steel  H375, single door
0375-8020-60-00
Modular cabinets Stainless steel H375, single door
Width
800 mm
Height
2000 mm
Depth
600 mm
Type
without mounting plate
Protection type
IP55, IP56 optional
Type 1, 12, 3R optional
Approval
cULus
Modular cabinets Stainless steel  H375, single door
0375-8020-60-10
Modular cabinets Stainless steel H375, single door
Width
800 mm
Height
2000 mm
Depth
600 mm
Type
with mounting plate
Protection type
IP55, IP56 optional
Type 1, 12, 3R optional
Approval
cULus
Modular cabinets Sheet steel H395, single door
0395-1018-60-07
Modular cabinets Sheet steel H395, single door
Width
1000 mm
Height
1800 mm
Depth
600 mm
Type
without mounting plate
Protection type
IP55, IP56 optional
Type 1, 12, 3R optional
Approval
cULus
Modular cabinets Sheet steel H395, single door
0395-1018-60-17
Modular cabinets Sheet steel H395, single door
Width
1000 mm
Height
1800 mm
Depth
600 mm
Type
with mounting plate
Protection type
IP55, IP56 optional
Type 1, 12, 3R optional
Approval
cULus
Modular cabinets Sheet steel H395, single door
0395-1020-60-07
Modular cabinets Sheet steel H395, single door
Width
1000 mm
Height
2000 mm
Depth
600 mm
Type
without mounting plate
Protection type
IP55, IP56 optional
Type 1, 12, 3R optional
Approval
cULus
Modular cabinets Sheet steel H395, single door
0395-1020-60-17
Modular cabinets Sheet steel H395, single door
Width
1000 mm
Height
2000 mm
Depth
600 mm
Type
with mounting plate
Protection type
IP55, IP56 optional
Type 1, 12, 3R optional
Approval
cULus
Modular cabinets Sheet steel H395, single door
0395-1022-60-07
Modular cabinets Sheet steel H395, single door
Width
1000 mm
Height
2200 mm
Depth
600 mm
Type
without mounting plate
Protection type
IP55, IP56 optional
Type 1, 12, 3R optional
Approval
cULus
Modular cabinets Sheet steel H395, single door
0395-1022-60-17
Modular cabinets Sheet steel H395, single door
Width
1000 mm
Height
2200 mm
Depth
600 mm
Type
with mounting plate
Protection type
IP55, IP56 optional
Type 1, 12, 3R optional
Approval
cULus
Modular cabinets Sheet steel H395, double door
0395-1118-60-07
Modular cabinets Sheet steel H395, double door
Width
1000 mm
Height
1800 mm
Depth
600 mm
Type
without mounting plate
Protection type
IP55
Type 1, 12, 3R optional
Approval
cULus
Modular cabinets Sheet steel H395, double door
0395-1118-60-17
Modular cabinets Sheet steel H395, double door
Width
1000 mm
Height
1800 mm
Depth
600 mm
Type
with mounting plate
Protection type
IP55
Type 1, 12, 3R optional
Approval
cULus
Modular cabinets Sheet steel H395, double door
0395-1120-60-07
Modular cabinets Sheet steel H395, double door
Width
1000 mm
Height
2000 mm
Depth
600 mm
Type
without mounting plate
Protection type
IP55
Type 1, 12, 3R optional
Approval
cULus
Modular cabinets Sheet steel H395, double door
0395-1120-60-17
Modular cabinets Sheet steel H395, double door
Width
1000 mm
Height
2000 mm
Depth
600 mm
Type
with mounting plate
Protection type
IP55
Type 1, 12, 3R optional
Approval
cULus
Modular cabinets Sheet steel H395, double door
0395-1122-60-07
Modular cabinets Sheet steel H395, double door
Width
1000 mm
Height
2200 mm
Depth
600 mm
Type
without mounting plate
Protection type
IP55
Type 1, 12, 3R optional
Approval
cULus
Modular cabinets Sheet steel H395, double door
0395-1122-60-17
Modular cabinets Sheet steel H395, double door
Width
1000 mm
Height
2200 mm
Depth
600 mm
Type
with mounting plate
Protection type
IP55
Type 1, 12, 3R optional
Approval
cULus
Modular cabinets Sheet steel H395, double door
0395-1216-60-07
Modular cabinets Sheet steel H395, double door
Width
1200 mm
Height
1600 mm
Depth
600 mm
Type
without mounting plate
Protection type
IP55
Type 1, 12, 3R optional
Approval
cULus
Modular cabinets Sheet steel H395, double door
0395-1216-60-17
Modular cabinets Sheet steel H395, double door
Width
1200 mm
Height
1600 mm
Depth
600 mm
Type
with mounting plate
Protection type
IP55
Type 1, 12, 3R optional
Approval
cULus
Modular cabinets Sheet steel H395, double door
0395-1218-60-07
Modular cabinets Sheet steel H395, double door
Width
1200 mm
Height
1800 mm
Depth
600 mm
Type
without mounting plate
Protection type
IP55
Type 1, 12, 3R optional
Approval
cULus
Modular cabinets Sheet steel H395, double door
0395-1218-60-17
Modular cabinets Sheet steel H395, double door
Width
1200 mm
Height
1800 mm
Depth
600 mm
Type
with mounting plate
Protection type
IP55
Type 1, 12, 3R optional
Approval
cULus
Modular cabinets Sheet steel H395, double door
0395-1220-60-07
Modular cabinets Sheet steel H395, double door
Width
1200 mm
Height
2000 mm
Depth
600 mm
Type
without mounting plate
Protection type
IP55
Type 1, 12, 3R optional
Approval
cULus
Modular cabinets Sheet steel H395, double door
0395-1220-60-17
Modular cabinets Sheet steel H395, double door
Width
1200 mm
Height
2000 mm
Depth
600 mm
Type
with mounting plate
Protection type
IP55
Type 1, 12, 3R optional
Approval
cULus
Modular cabinets Sheet steel H395, double door
0395-1222-60-07
Modular cabinets Sheet steel H395, double door
Width
1200 mm
Height
2200 mm
Depth
600 mm
Type
without mounting plate
Protection type
IP55
Type 1, 12, 3R optional
Approval
cULus
Modular cabinets Sheet steel H395, double door
0395-1222-60-17
Modular cabinets Sheet steel H395, double door
Width
1200 mm
Height
2200 mm
Depth
600 mm
Type
with mounting plate
Protection type
IP55
Type 1, 12, 3R optional
Approval
cULus
Cabinet for Plug Mounting Sheet steel H395
0395-4018-60-07
Cabinet for Plug Mounting Sheet steel H395
Width
400 mm
Height
1800 mm
Depth
600 mm
Type
without mounting plate
Protection type
IP55, IP56 optional
Type 1, 12, 3R optional
Approval
cULus
Cabinet for Plug Mounting Sheet steel H395
0395-4020-60-07
Cabinet for Plug Mounting Sheet steel H395
Width
400 mm
Height
2000 mm
Depth
600 mm
Type
without mounting plate
Protection type
IP55, IP56 optional
Type 1, 12, 3R optional
Approval
cULus
Modular cabinets Sheet steel H395, single door
0395-6016-60-07
Modular cabinets Sheet steel H395, single door
Width
600 mm
Height
1600 mm
Depth
600 mm
Type
without mounting plate
Protection type
IP55, IP56 optional
Type 1, 12, 3R optional
Approval
cULus
Modular cabinets Sheet steel H395, single door
0395-6016-60-17
Modular cabinets Sheet steel H395, single door
Width
600 mm
Height
1600 mm
Depth
600 mm
Type
with mounting plate
Protection type
IP55, IP56 optional
Type 1, 12, 3R optional
Approval
cULus
Modular cabinets Sheet steel H395, single door
0395-6018-60-07
Modular cabinets Sheet steel H395, single door
Width
600 mm
Height
1800 mm
Depth
600 mm
Type
without mounting plate
Protection type
IP55, IP56 optional
Type 1, 12, 3R optional
Approval
cULus
Modular cabinets Sheet steel H395, single door
0395-6018-60-17
Modular cabinets Sheet steel H395, single door
Width
600 mm
Height
1800 mm
Depth
600 mm
Type
with mounting plate
Protection type
IP55, IP56 optional
Type 1, 12, 3R optional
Approval
cULus
Modular cabinets Sheet steel H395, single door
0395-6020-60-07
Modular cabinets Sheet steel H395, single door
Width
600 mm
Height
2000 mm
Depth
600 mm
Type
without mounting plate
Protection type
IP55, IP56 optional
Type 1, 12, 3R optional
Approval
cULus
Modular cabinets Sheet steel H395, single door
0395-6020-60-17
Modular cabinets Sheet steel H395, single door
Width
600 mm
Height
2000 mm
Depth
600 mm
Type
with mounting plate
Protection type
IP55, IP56 optional
Type 1, 12, 3R optional
Approval
cULus
Modular cabinets Sheet steel H395, single door
0395-6022-60-07
Modular cabinets Sheet steel H395, single door
Width
600 mm
Height
2200 mm
Depth
600 mm
Type
without mounting plate
Protection type
IP55, IP56 optional
Type 1, 12, 3R optional
Approval
cULus
Modular cabinets Sheet steel H395, single door
0395-6022-60-17
Modular cabinets Sheet steel H395, single door
Width
600 mm
Height
2200 mm
Depth
600 mm
Type
with mounting plate
Protection type
IP55, IP56 optional
Type 1, 12, 3R optional
Approval
cULus
Modular cabinets Sheet steel H395, single door
0395-8016-60-07
Modular cabinets Sheet steel H395, single door
Width
800 mm
Height
1600 mm
Depth
600 mm
Type
without mounting plate
Protection type
IP55, IP56 optional
Type 1, 12, 3R optional
Approval
cULus
Modular cabinets Sheet steel H395, single door
0395-8016-60-17
Modular cabinets Sheet steel H395, single door
Width
800 mm
Height
1600 mm
Depth
600 mm
Type
with mounting plate
Protection type
IP55, IP56 optional
Type 1, 12, 3R optional
Approval
cULus
Modular cabinets Sheet steel H395, single door
0395-8018-60-07
Modular cabinets Sheet steel H395, single door
Width
800 mm
Height
1800 mm
Depth
600 mm
Type
without mounting plate
Protection type
IP55, IP56 optional
Type 1, 12, 3R optional
Approval
cULus
Modular cabinets Sheet steel H395, single door
0395-8018-60-17
Modular cabinets Sheet steel H395, single door
Width
800 mm
Height
1800 mm
Depth
600 mm
Type
with mounting plate
Protection type
IP55, IP56 optional
Type 1, 12, 3R optional
Approval
cULus
Modular cabinets Sheet steel H395, single door
0395-8020-60-07
Modular cabinets Sheet steel H395, single door
Width
800 mm
Height
2000 mm
Depth
600 mm
Type
without mounting plate
Protection type
IP55, IP56 optional
Type 1, 12, 3R optional
Approval
cULus
Modular cabinets Sheet steel H395, single door
0395-8020-60-17
Modular cabinets Sheet steel H395, single door
Width
800 mm
Height
2000 mm
Depth
600 mm
Type
with mounting plate
Protection type
IP55, IP56 optional
Type 1, 12, 3R optional
Approval
cULus
Modular cabinets Sheet steel H395, single door
0395-8022-60-07
Modular cabinets Sheet steel H395, single door
Width
800 mm
Height
2200 mm
Depth
600 mm
Type
without mounting plate
Protection type
IP55, IP56 optional
Type 1, 12, 3R optional
Approval
cULus
Modular cabinets Sheet steel H395, single door
0395-8022-60-17
Modular cabinets Sheet steel H395, single door
Width
800 mm
Height
2200 mm
Depth
600 mm
Type
with mounting plate
Protection type
IP55, IP56 optional
Type 1, 12, 3R optional
Approval
cULus
Lateral mounting plate
Lateral mounting plate
For the formation of mounting areas on the side.


Contact for products
Find your personal point of contact
We are happy to help you.

The best switch cabinets and casings are not produced on an assembly line, but rather designed in close cooperation with our customers. Are you ready to begin? Then contact your personal häwa consultant.

Choose your advisor now

PM-Leitung: Herr Eglof. PM-Leitung: Herr Eglof.