
3080-0220-69-05
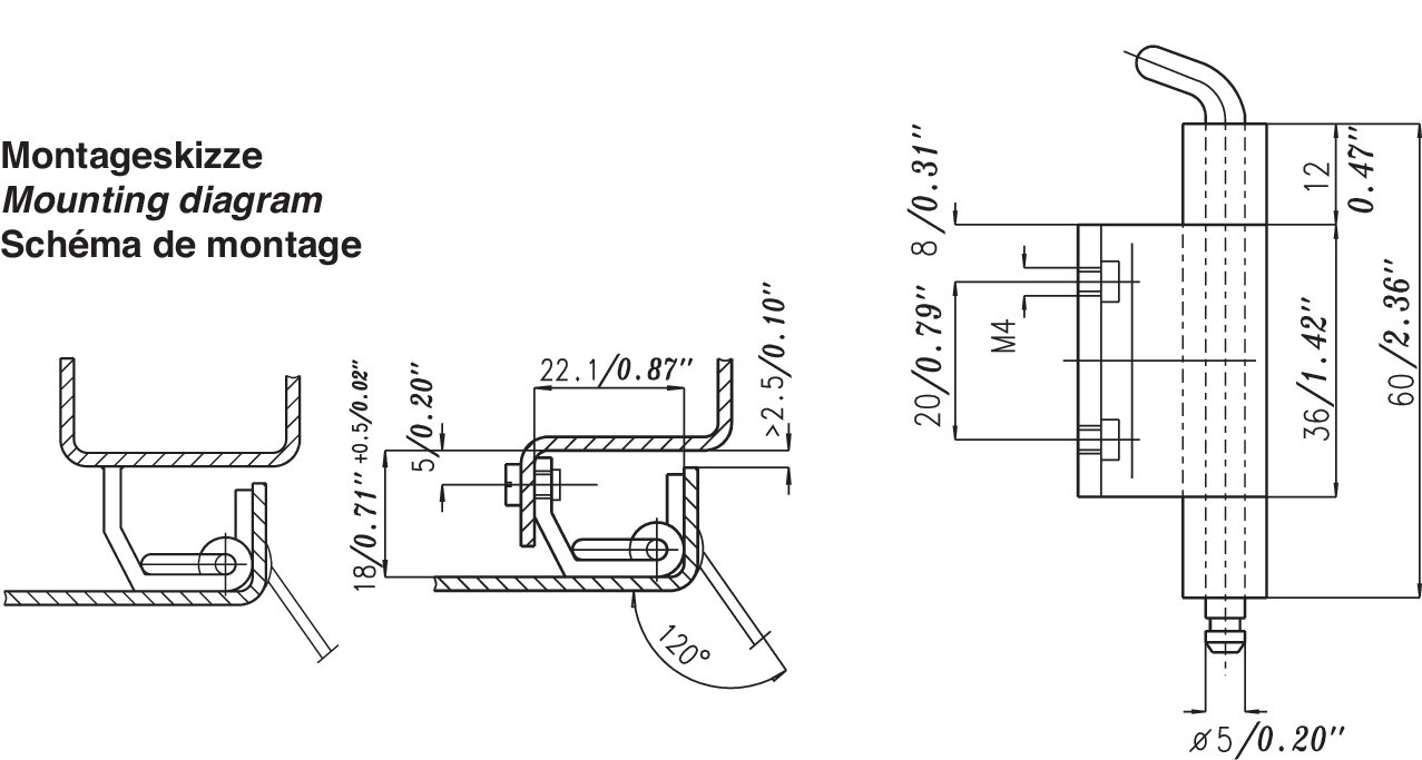
Hinge 120°, L-shaped, detachable
- Fixation on frame connector: for screwing or welding
- Fixation on door: for welding
- For overlaying doors
Product description
Internal hinge.
Applicable on the right and on the left.
Opening angle of door 120°.
Technical Data
-
Order No.: 3080-0220-69-05
-
Material: Stainless steel no. 1.4301
-
Surface: unfinished
Notice
- Hinge pin with safety disk DIN 6799 size 4, can be protected from falling out. Safety disk is not contained in scope of delivery. Hinge for a 4 mm higher door splay on request.
- 1 hinge with hinge pin.
CAD data and other file formats:
Contact for products
Find your personal point of contact
We are happy to help you.
The best switch cabinets and casings are not produced on an assembly line, but rather designed in close cooperation with our customers. Are you ready to begin? Then contact your personal häwa consultant.

