 
                            3070-7502-00-00
Toggle quarter turn latch lock D1
Product description
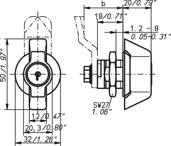
Screw-in toggle quarter turn latch lock for housing with installation holes 22.5 x 20.1 mm and 23.1 x 20.2 mm
Applicable as right or left hand lock.
Technical Data
- 
                                        Order No.: 3070-7502-00-00
- 
                                        Material: Housing + nuts: zinc die-casting
 Toggle: polyamide
- 
                                        Surface: Housing: black
 Toggle: black
- 
                                        Closing stroke: 90 °
- 
                                        Installation opening: 22,5 x 20,1 mm or 23,1 x 20,2 mm
- 
                                        Locking: not lockable
- 
                                        Protection type: IP65
Notice
- Please determine the required dimension "b" of the crank to select the suitable latch.
- Suitable locking tongue, see accessories.
- Toggle quarter turn latch lock with seal and grounding nut.
 
                 
             
                 
             
                 
             
                 
             
                 
             
                 
             
                 
             
                 
             
                 
             
                 
             
                 
             
                 
             
                 
             
                 
             
                 
             
                 
             
                 
             
                 
             
                 
             
                 
             
                 
             
                 
            
                                3070-0304-23-00
                            
                        
                    Hook latch for quarter turn latch locks
                                        Locking height
                                    
                                    
                                        
                                        18 mm
                                    
                                
                        
                    
                        
                            
                                    
                                        Material
                                    
                                    
                                        
                                        Sheet steel
                                    
                                
                        
                    
                        
                            
                                    
                                        Type
                                    
                                    
                                        
                                        Small version
                                    
                                
                        
                    
                 
                 
            
                                3070-0304-28-00
                            
                        
                    Hook latch for quarter turn latch locks
                                        Locking height
                                    
                                    
                                        
                                        18 mm
                                    
                                
                        
                    
                        
                            
                                    
                                        Material
                                    
                                    
                                        
                                        Sheet steel
                                    
                                
                        
                    
                        
                            
                                    
                                        Type
                                    
                                    
                                        
                                        Big version
                                    
                                
                        
                    
                 
                 
            
                                3070-0314-06-00
                            
                        
                    Latch for slide bars
                                        b-Dimension
                                    
                                    
                                        
                                        6 mm
                                    
                                
                        
                    
                        
                            
                                    
                                        Material
                                    
                                    
                                        
                                        Sheet steel
                                    
                                
                        
                    
                        
                            
                                    
                                        With or without bolt
                                    
                                    
                                        
                                        with
                                    
                                
                        
                    
                 
                    
            CAD data and other file formats:
                            
                        
                    
                        Contact for products
                    
                
            
            
    
            
                
    
        
            Find your personal point of contact
        
    
            
        
            
                
    
        We are happy to help you.
    
            
        The best switch cabinets and casings are not produced on an assembly line, but rather designed in close cooperation with our customers. Are you ready to begin? Then contact your personal häwa consultant.
 
