
3070-0322-10-15
Cylinder lock, small version E1
- Completely pre-assembled
Product description
Screwable
Applicable as right hand or left hand lock
The key can be extracted in both positions
Suitable for small doors and flaps
Technical Data
-
Order No.: 3070-0322-10-15
-
Material: zinc die-casting
-
Surface: chrome-plated
-
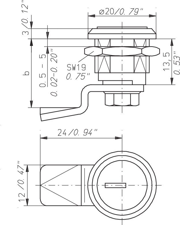
Latch length: 24 mm
-
lock height b: 13.5 mm
-
Material and Surface: latch and fixing parts: galvanized steel
-
Closing stroke: 90 °
-
Locking: 2233
-
Protection type: IP40
Notice
- Pay attention to the position of installation opening. Version with grounding bolt or from polyamide on request.
- 1 cylinder lock with fixing parts, latch and key

CAD data and other file formats:
Contact for products
Find your personal point of contact
We are happy to help you.
The best switch cabinets and casings are not produced on an assembly line, but rather designed in close cooperation with our customers. Are you ready to begin? Then contact your personal häwa consultant.

