
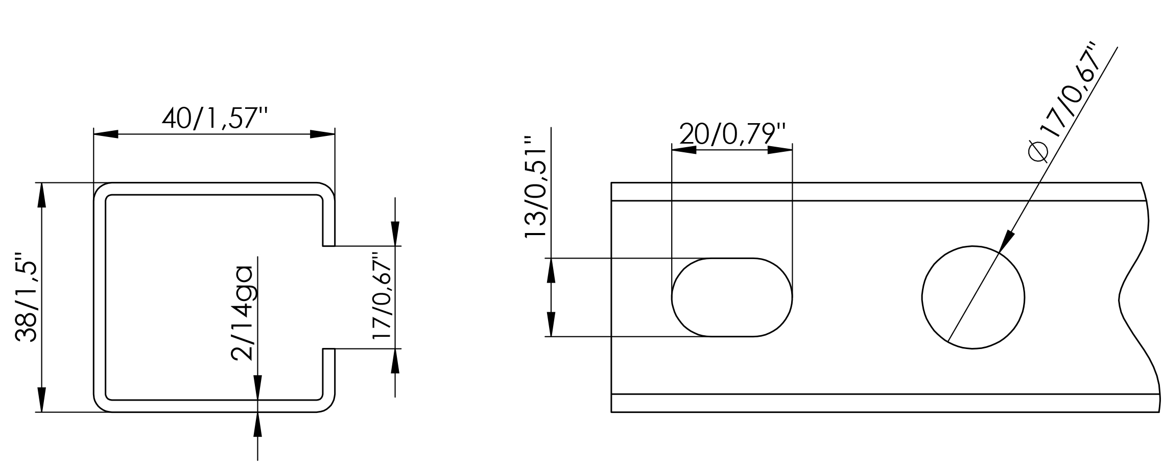
1208-1300-20-00
Profile Rail
Product description
Can be used as support or suspended rail.
Technical Data
-
Order No.: 1208-1300-20-00
-
Weight: 3.7 kg
-
Dimension: L = 2 000 mm/78,74"
-
Material: Sheet steel
- 1 Profile Rail
CAD data and other file formats:
Contact for products
Find your personal point of contact
We are happy to help you.
The best switch cabinets and casings are not produced on an assembly line, but rather designed in close cooperation with our customers. Are you ready to begin? Then contact your personal häwa consultant.

