
0323-1090-65-07
H123 Console
- Console optionally with or without mounting plate
- Can be used as switchboard or control panel
Product description
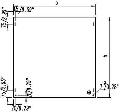
Lock: 3 mm double mandrel
Console top: With opening struts on right side (from W=1000 mm on both sides)
Mounting plate: Galvanized sheet steel, adjustable to height
Cable entry plate: Secured from inside
Seal: Special foamed-in gasket
Protective ground connection to DIN EN 61439-1, studs on console, doors and mounting plate
Bolted doors at front and rear side
Technical Data
-
Order No.: 0323-1090-65-07
-
Material: Sheet steel
-
Type: without mounting plate
-
Dimension: Width : 1000 mm Height : 900 mm Depth : 650 mm
-
Sheet thickness: Door: 1,5 mm
Console plate: 2 mm -
Surface: Powder coating RAL 7035, texture finish
-
Protection type: Designed in accordance with IP55
-
Cabinet type: Console systems
Notice
- Other locking types are available upon request.
- Stainless steel locks are available upon request.
- Console complete with cable entry plate and 1 key

0346-1001-26-17
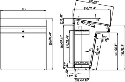
100 mm High Base Type 0346 for Consoles
Width
1000 mm
Material
Sheet steel
Socket size
262 mm

CAD data and other file formats:
Contact
Find your personal point of contact
We are happy to help you.
The best control cabinets and enclosures are not produced on an assembly line, but through close dialog with our customers. Are you ready to begin?
Then contact your personal häwa consultant today.

