
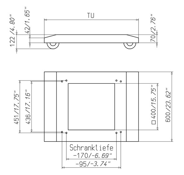
0396-6000-80-27
Mobile base
Product description
Suitable for 600 mm wide cabinets, 600 and 800 mm deep.
Technical Data
-
Order No.: 0396-6000-80-27
-
Dimension: Suitable for depth : 800 mm
-
Type: X x X x 800 mm
-
Surface: Powder coated RAL 7022, texture finish
-
Material: Sheet steel
-
Casters: 4 swing casters
-
Load carrying capacity: approx. 529 lbs
-
Sheet thickness: 2 mm
-
Total depth (TU): 990 mm
- Mobile base complete with four mounted casters.
- Casters are non-lockable

0395-6018-82-07
H395 Modular Sheet Steel Cabinet, Front and Rear Door
Width
600 mm
Height
1800 mm
Depth
800 mm
Type
without mounting plate
Protection type
IP55, IP56 optional
Type 1, 12, 3R optional
Type 1, 12, 3R optional
Approval
cULus

0395-6018-82-17
H395 Modular Sheet Steel Cabinet, Front and Rear Door
Width
600 mm
Height
1800 mm
Depth
800 mm
Type
with mounting plate
Protection type
IP55, IP56 optional
Type 1, 12, 3R optional
Type 1, 12, 3R optional
Approval
cULus

0395-6020-82-07
H395 Modular Sheet Steel Cabinet, Front and Rear Door
Width
600 mm
Height
2000 mm
Depth
800 mm
Type
without mounting plate
Protection type
IP55, IP56 optional
Type 1, 12, 3R optional
Type 1, 12, 3R optional
Approval
cULus

0395-6020-82-17
H395 Modular Sheet Steel Cabinet, Front and Rear Door
Width
600 mm
Height
2000 mm
Depth
800 mm
Type
with mounting plate
Protection type
IP55, IP56 optional
Type 1, 12, 3R optional
Type 1, 12, 3R optional
Approval
cULus
CAD data and other file formats:
Contact for products
Find your personal point of contact
We are happy to help you.
The best switch cabinets and casings are not produced on an assembly line, but rather designed in close cooperation with our customers. Are you ready to begin? Then contact your personal häwa consultant.

