
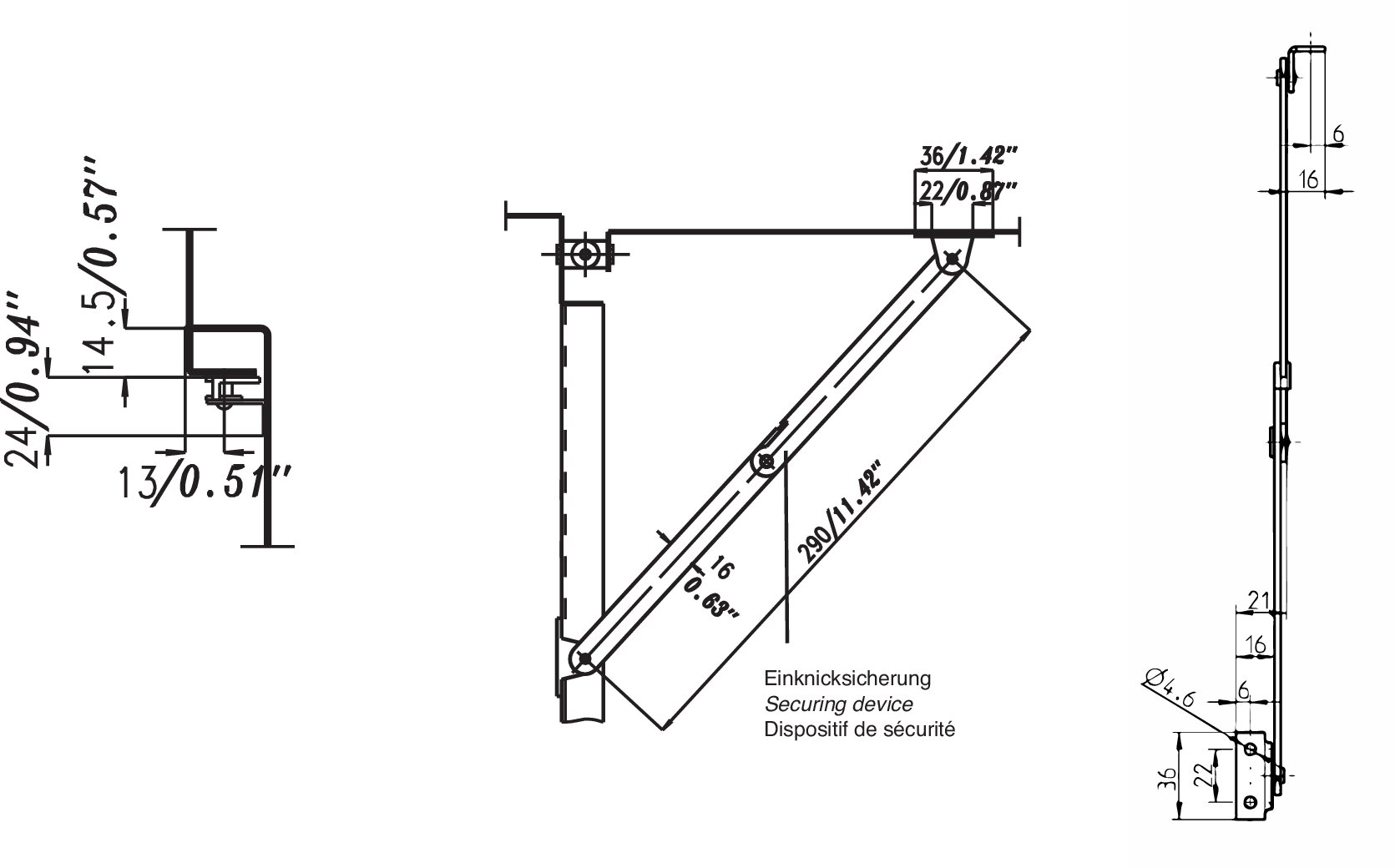
3080-0108-29-10
Flap support
- Contains protection against buckling
Product description
Can be screwed or welded.
Right hand and left hand version.
Technical Data
-
Order No.: 3080-0108-29-10
-
Material: Sheet steel
-
Surface: nickel-plated
-
Type: right
Notice
- Other versions on request.
- 1 unit
CAD data and other file formats:
Contact for products
Find your personal point of contact
We are happy to help you.
The best switch cabinets and casings are not produced on an assembly line, but rather designed in close cooperation with our customers. Are you ready to begin? Then contact your personal häwa consultant.

