
3080-0220-53-00
Hinge 180°, for inset doors
- Fixation on frame connector: for screwing on
- Fixation on door: for screwing on
- For inset door
Product description
External hinge.
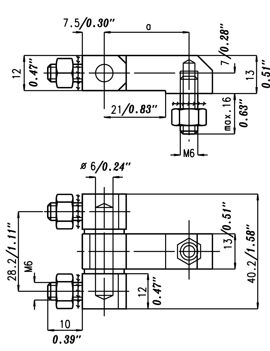
Technical Data
-
Order No.: 3080-0220-53-00
-
Material: Sheet steel
-
Surface: Galvanized
-
Material and Surface: of axis: steel nickel-plated
disks: brass nickel-plated
threaded pin, nuts and serrated lock washer: steel galvanized
- 1 hinge with fixing materials.
CAD data and other file formats:
Contact for products
Find your personal point of contact
We are happy to help you.
The best switch cabinets and casings are not produced on an assembly line, but rather designed in close cooperation with our customers. Are you ready to begin? Then contact your personal häwa consultant.

