
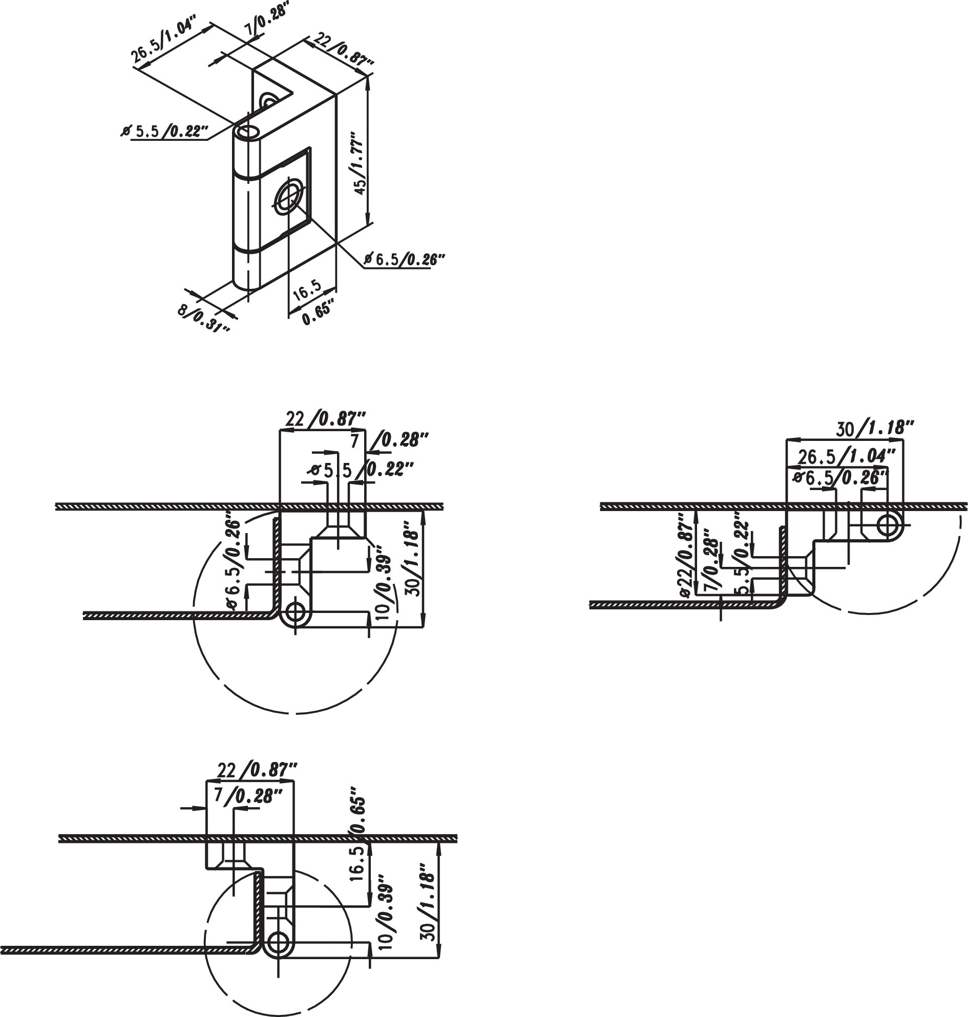
3080-0214-00-03
Hinge 90° - 180°, angled
- Fixation on frame connector: for screwing on
- Fixation on door: for screwing on
- For overlaying door
Product description
Universally applicable powder coated hinge with several mounting options.
Opening angle depending on the mounting type from 90° up to max. 180°.
Technical Data
-
Order No.: 3080-0214-00-03
-
Material: zinc die-casting
-
Surface: black
-
Material and Surface: hinge pin: steel, blue galvanized
- 1 Hinge complete without fixation set.
CAD data and other file formats:
Contact for products
Find your personal point of contact
We are happy to help you.
The best switch cabinets and casings are not produced on an assembly line, but rather designed in close cooperation with our customers. Are you ready to begin? Then contact your personal häwa consultant.

