
3070-7304-14-01
Security quarter turn latch lock
- Resistant to vibrations
Product description
Screweable
Applicable as right hand or left hand lock
The security sash lock is resistant to vibrations. Depending on the assembly situation and the operating conditions specific inspections are necessary and/or supplementary measures for the fixation.
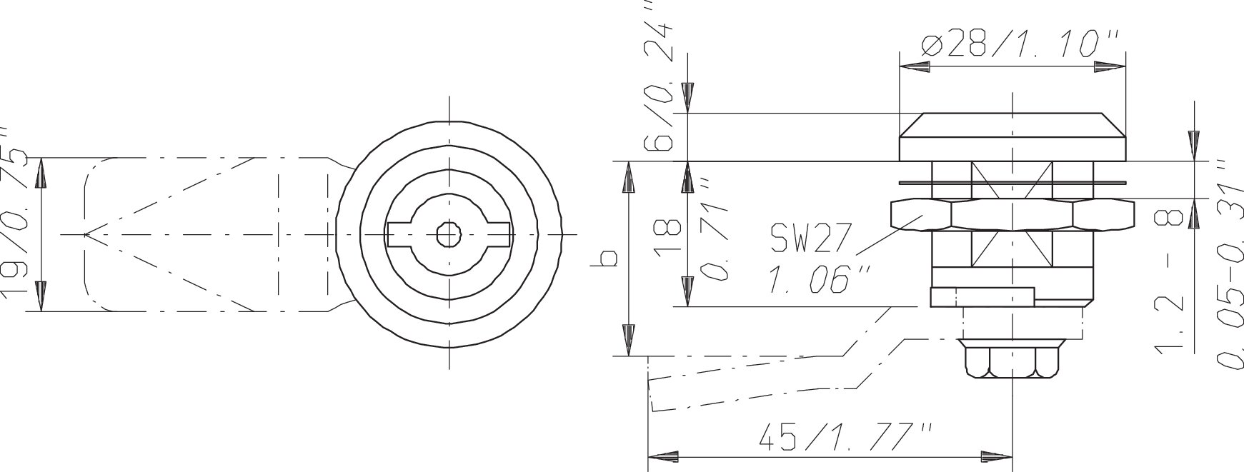
Technical Data
-
Order No.: 3070-7304-14-01
-
Material: brass
-
Surface: untreated
-
Type: Double bit 3 mm
-
Direction of closing: Clockwise closing from 12 to 3 o’clock
-
Material and Surface: zinc die-casting black, fixing parts: galvanized steel
-
Closing stroke: 90 °
-
Protection type: IP65
Notice
- The key of the double mandrel version can only be removed in locked position.
- 1 turning lock with sealing, grounding nuts and fixing parts but without latch


























3070-0304-23-00
Hook latch for quarter turn latch locks
Locking height
18 mm
Material
Sheet steel
Type
Small version

3070-0304-28-00
Hook latch for quarter turn latch locks
Locking height
18 mm
Material
Sheet steel
Type
Big version

3070-0314-06-00
Latch for slide bars
b-Dimension
6 mm
Material
Sheet steel
With or without bolt
with

3070-0314-10-00
Latch for slide bars
b-Dimension
10 mm
Material
Sheet steel
With or without bolt
with

3070-0314-15-00
Latch for slide bars
b-Dimension
16 mm
Material
Sheet steel
With or without bolt
with

3070-0314-18-00
Latch for slide bars
b-Dimension
18 mm
Material
Sheet steel
With or without bolt
with

3070-0315-15-00
Latch for slide bars
b-Dimension
20 mm
Material
Sheet steel
With or without bolt
without

3070-0714-20-05
Latch for slide bars
b-Dimension
20 mm
Material
Stainless steel
With or without bolt
with

3070-0314-20-00
Latch for slide bars
b-Dimension
22 mm
Material
Sheet steel
With or without bolt
with

3070-0315-22-00
Latch for slide bars
b-Dimension
22 mm
Material
Sheet steel
With or without bolt
without

3070-0714-22-05
Latch for slide bars
b-Dimension
22 mm
Material
Stainless steel
With or without bolt
with

3070-0314-28-00
Latch for slide bars
b-Dimension
28 mm
Material
Sheet steel
With or without bolt
with

3070-0714-28-05
Latch for slide bars
b-Dimension
28 mm
Material
Stainless steel
With or without bolt
with

3070-0314-35-00
Latch for slide bars
b-Dimension
35 mm
Material
Sheet steel
With or without bolt
with

3070-0314-40-00
Latch for slide bars
b-Dimension
40 mm
Material
Sheet steel
With or without bolt
with

3070-0314-50-00
Latch for slide bars
b-Dimension
50 mm
Material
Sheet steel
With or without bolt
with

CAD data and other file formats:
Contact for products
Find your personal point of contact
We are happy to help you.
The best switch cabinets and casings are not produced on an assembly line, but rather designed in close cooperation with our customers. Are you ready to begin? Then contact your personal häwa consultant.

