
3080-7115-35-25
Fitting for air-conditioning
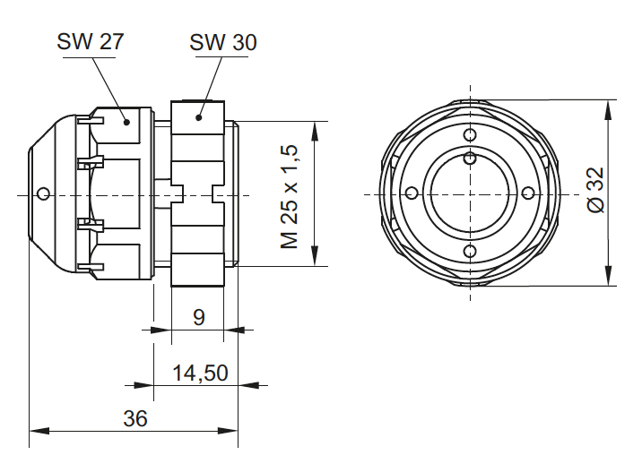
Technical Data
-
Order No.: 3080-7115-35-25
-
Protection type: IP65 (/IP64 see Note)
-
Material: Polyamide
-
Surface: similar to RAL 9002 / grey-white
-
Fitting position: preferably under, lowest position
-
Operating temperature: from : -20 °C to : +70 °C
-
Tightening torque: max. 2 Nm
-
Connection thread: M 25 x 1,5
-
Drilling: D=25,5 + 0,5 mm
Notice
- The gland can either be screwed in directly (thread min. 5 mm long) or fastened with a locknut (max. plate thickness: 6.5 mm) If the gland is not mounted in a horizontal position at the bottom, the degree of protection is reduced to IP64.
CAD data and other file formats:
Contact for products
Find your personal point of contact
We are happy to help you.
The best switch cabinets and casings are not produced on an assembly line, but rather designed in close cooperation with our customers. Are you ready to begin? Then contact your personal häwa consultant.

